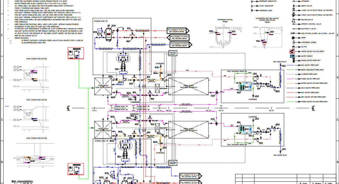
Due to the specifics of the catamaran design of this yacht, we have designed a system of production and transfer of drinking water between the tanks, which can at any time, remotely control the trim of the ship.


Due to the specifics of the catamaran design of this yacht, we have designed a system of production and transfer of drinking water between the tanks, which can at any time, remotely control the trim of the ship.